Accessories for Lubrication Grease Nipple
We offer various types of grease nipples required for the lubrication of various THK products.
Features
We offer various types of grease nipples required for the lubrication of various THK products.
A-MT6×1 type(MT6×1)
A-M6F type(M6×0.75)

B-MT6×1 type(MT6×1)
B-M6F type(M6×0.75)

C-MT6×1 type(MT6×1)
C-M6F type(M6×0.75)

A-PT1/8 type

B-PT1/8 type

C-PT1/8 type

PB107 type

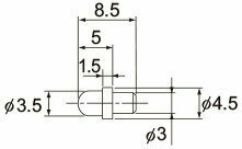
NP3.2×3.5 type

PB1021B type

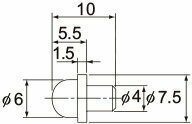
NP6×5 type

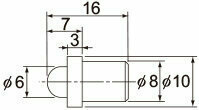
NP8×9 type

Note) Ensure that you do not overtighten or loosen any attached grease nipple. Doing so may impair functionality.